In this post I will describe the repair of my Agilent 66311B power supply. I also talk about linear power supply design.
The 66311B "Mobile Communications DC Source" is a HP/Agilent made precision power supply. Some people call it the "poor man's SMU" (Source-Measure Unit). It's a high quality precision power supply which is capable of some more than basic measurements of the output. The unit can deliver from 0 to 15V at 3A, with 5A peaks for at most 7ms.
I found out about it while reading a discord discussion which appeared after a few units were listed on ebay. I looked up Allegro and bought one too. The unit was listed as "appears to be working", ie. it turns on and displays something. After I received it, it turned out it's not working but the fix is easy.
When I unpacked the unit I checked that it was wired for the correct voltage. These units came factory configured for 220VAC. Mine had a warning sticker about being a 220VAC one, and since the seller claimed it was tested and turns on I connected it and it indeed turned on.
The power supply passed all self tests and displayed a weird reading on the front. In normal operation the 66311 series display the voltage and current at the output even when the output is disabled. This is the first difference in respect to a typical lab power supply, as these will revert to displaying the set values when the output is off.

The unit showing -47mV with the "Dis" indicator showing the output is off
With nothing on the output the reading should be all zeros. Mine displayed a slightly negative voltage and little current. Enabling the output caused it to slowly drop even more. There was little negative voltage across the output terminals.
At first I thought it was an issue with sensing. This box being a precision power supply, lacks the typical front output banana jacks and instead has a 5 pin terminal block connector in the back. Two of these are negative and positive power outputs, two other are negative and positive sense and the fifth one is earth ground. At first I thought that the behavior is due to missing sense connections, but that was not the case as the behavior was the same even with the sense wires properly connected.

For testing, the sense terminals were jumpered to the outputs
This power supply uses a 4-wire measurement method (Kelvin method). The extra pair of sense wires is used to measure the voltage at the end of the power supply wires. The current going through sense wires is very low, so the voltage drop is neglible. The current goung through the main wires is often quite high, so there is a non-neglible voltage drop across the wires. The Kelvin method allows the power supply to measure the true voltage at the device it's powering without being lied to by the voltage drop of the wires.
Okay, there clearly was something wrong with the power supply. The service manual for these lists a few useful tables to do the initial troubleshooting and after some measurements I found out that the power supply is missing the main output rail. This explains no output voltage at all. Now I had to troubleshoot the reason to why the rail was missing.
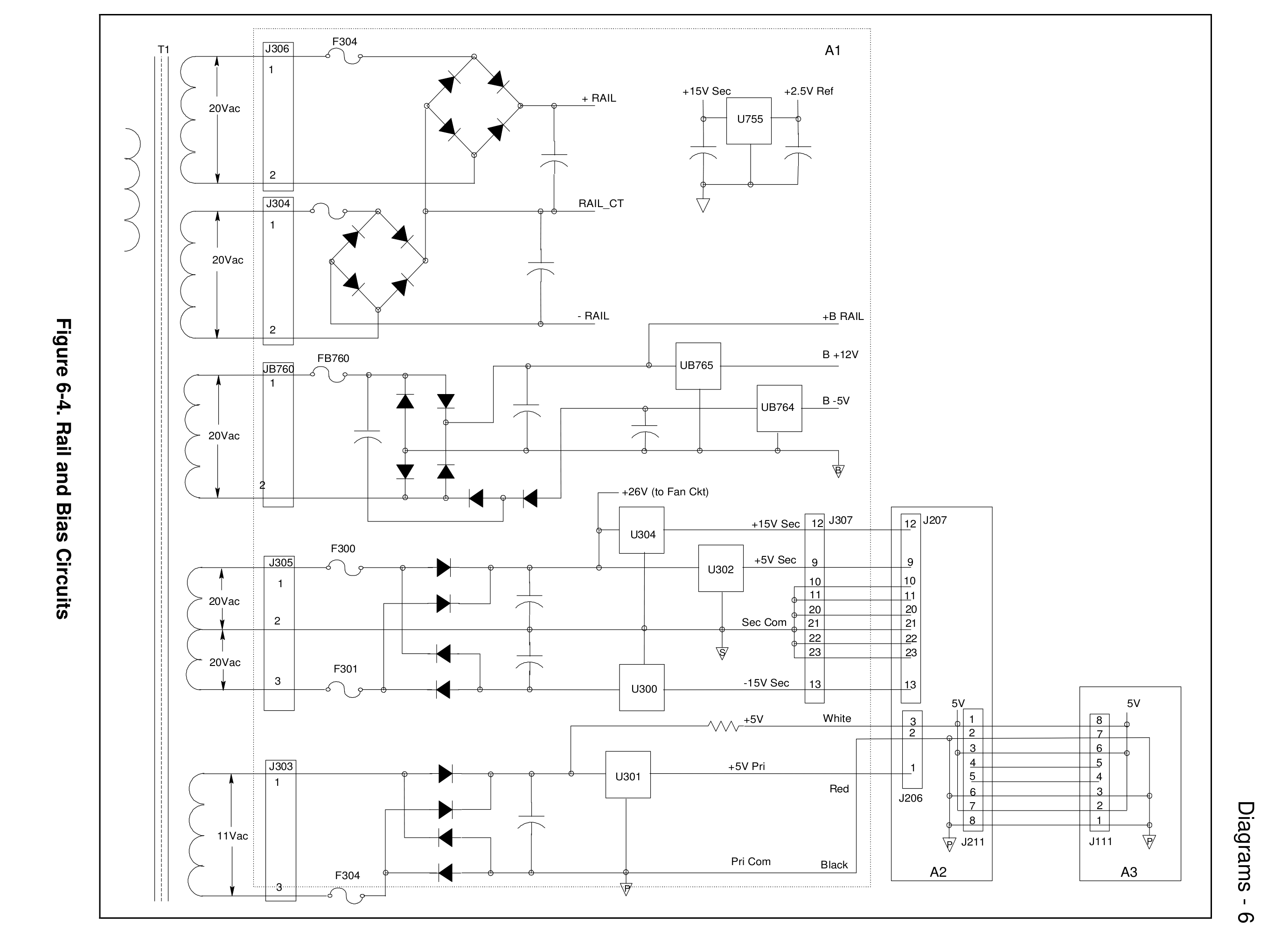
The 66311 series does not have schematics available online, but the manual shows enough of the secrets to do some basic troubleshooting (and - spoiler alert - fix this unit). Inside the power supply there are 4 rectifiers (5 for the dual output versions) feeding from the various secondaries of the transformer:

Apart from the points listed in the service manual the PCB has absolutely no test points to aid troubleshooting. I could not find any voltage in the +Rail power supply section and after a few tries I noticed that F304 has blown open. My unit has the surface mount version of the board and the fuse is marked F311. This is not mentioned in the service manual, the above diagram is only for the through hole board.
Here's how the surface mount board labels the fuses:
additionally:

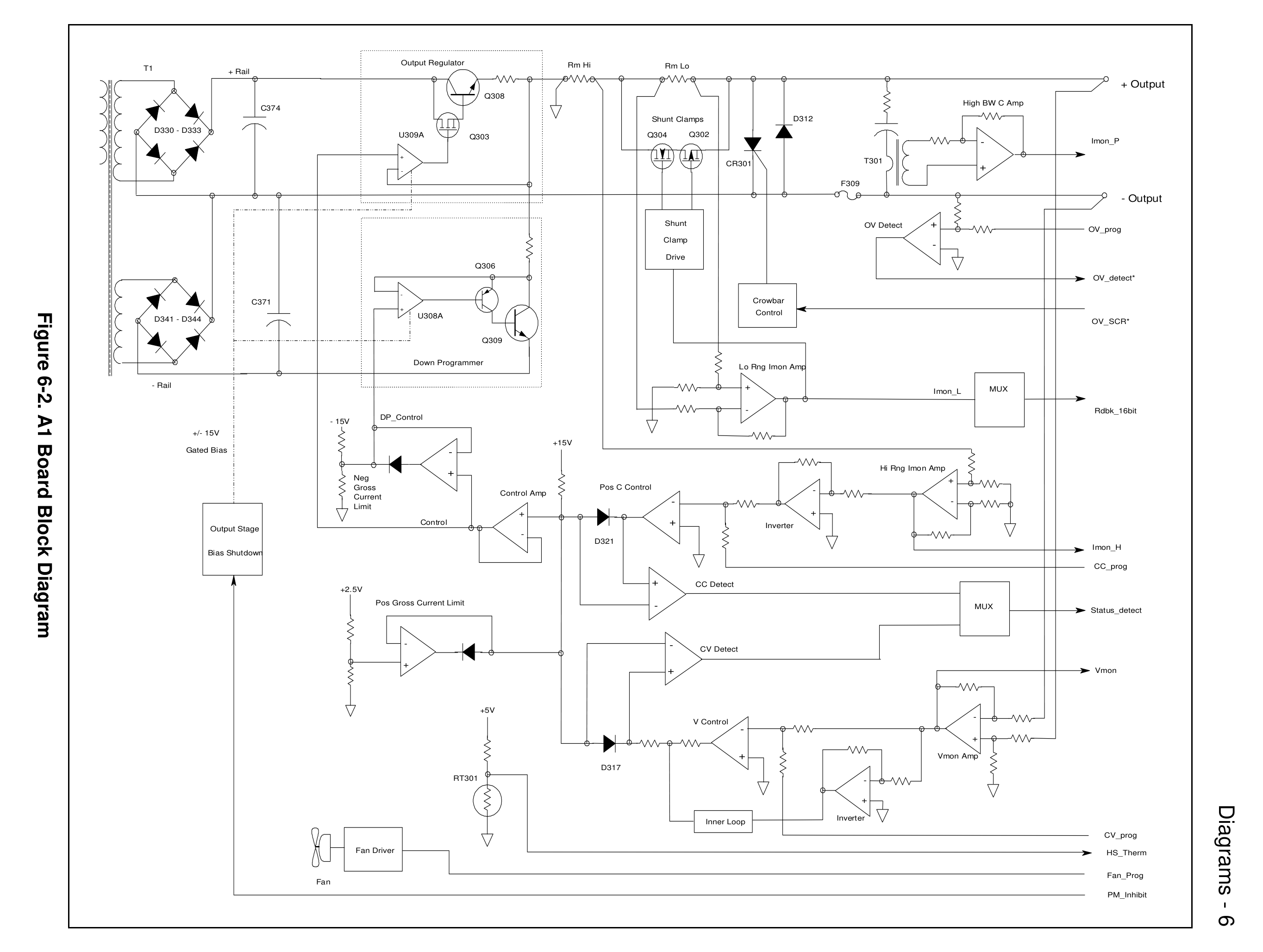
The +Rail from the rectifier goes to the Q303-Q308 pair which is the main linear regulator. On my unit there was no voltage there (I found the blown fuse later).
Strangely on my unit, the main output fuse F309 was not blown. This in conjunction with F311 blown would indicate that there was a short inside the regulator part. Now, fuses generally do not blow up without a reason and quite often replacing the fuse will cause it to blow, because you have not removed the reason of the short.
I tested some of the components which could be suspect but did not find any obvious shorts. Measuring the power transistors in circuit is futile. They all show shorts between base and emitter because they have high current shunts all over them. I unscrewed the mainboard and after a fair bit of wiggling I removed if from the chassis. I used a few colored markers to mark all connectors with unique dot combinations so I knew how to put them back together. This way is easier than trying to find it in the service manual.
It was late and I continued the repair next day.
The next day I figured out a clever way to test for shorts. I soldered a wire after the F311 fuse and connected my lab supply like in the picture below:

I set the lab supply to 20V, current limit 500mA. I turned it on and it immediately went into constant current mode, indicating a short/large current draw, but then not half a second later stabilized back at 20V and 4mA. There was no short. I measured the voltage on the heatsink again and it was a few volts below 20V. This meant there was no short in the output regulator section.
The way this trick works is it simulates a 20V dc source through a 500mA fuse/current limit. If there was a short, the current would be to low to cause any damage (for example, evaporate a trace). With no load on the output, 500mA is plenty of headspace for the regulator and analog voltages. And this turned out to be true - the inital current peak was the large filter capacitors charging up.

Nominally the voltage on the heatsink should be around 25V, as the peak voltage of 20VAC is 20V * sqrt(2) = 28.2V, and after the rectifier drop (2 * 0.7V for sillicon diode forward drop) this works out to around 25V. So in order to test this correctly, I should have injected 28.2V. But it works either way :)
Happy that I found there is no fault, I put the mainboard back inside, connected the CPU board and all the transformer secondaries except J306. I turned on the mains switch and turned on the lab PSU to again simulate a current limited (fused) supply. The power draw was again very low.
The display however showed a different reading! With the output off, it showed 0V proving that the regulator works fine. I set the output to 15V and turned it on. The lab PSU showed a 100mA current draw and I measured 14.98V on the power supply output. This was it! The power supply was fixed!

The power supply working with injected voltage
For reference:
As I said earlier, fuses do not blow up for no reason. F311 is a large, slow acting 15A fuse. This means that something inside the regulator circuit, before F309 must have shorted the rail, but it is not shorting it anymore. The only possible part is the CR301 thyristor (SCR - sillicon controller rectifier) across the rail. This is called a crowbar.
The crowbar circuit is an interesting one. HP engineers liked placing these in their power supplies. The way a crowbar works is quite simple - you place a thyristor across the power rail and then make a circuit that triggers it when some condition is met. In most cases the condition is overvoltage. The thyristor looks like a transistor, but it works in a different way. A small current through the base opens the thyristor and it becomes conducting, just like a transistor. However, it keeps conducting even with the base current off. The thyristor stops letting current through only when the current is removed. This way, the crowbar circuit, once triggered, will stop shorting the rail only when the power on it goes out. Which is exactly how F311 got blown.
Looking back at the A1 board schematic, the CR301 crowbar is used to protect the sensitive equimpment connected to the power supply output. The comparator circuit is not drawn, but one can imagine that if an overvoltage happens on the +Rail the crowbar will be triggered.
Suppose that Q308 fails short. This causes the full unregulated voltage appear on the + output of the power supply. In this case, the control circuit would trigger the CR301 thyristor to short the output rail. This has two functions. First, it causes the voltage across the power supply output to drop rapidly. Second, it keeps the voltage low until something blows up, Usually, it's the fuse.
The crowbar circuit acts as a last resort of overvoltage/overcurrent protection. It's action usually ends up with a blown fuse that needs to be replaced, but that's better than blowing up something else!
Back to homepage...